17吃瓜爆料大事件,17cgcg吃瓜网黑料爆料,51黑料吃瓜每日精品,国产51吃瓜黑料,17ccgcg吃瓜网黑料爆料蘑菇,17c吃瓜黑料爆料,51吃瓜今日吃瓜入口黑料,黑料吃瓜155.网爆国产,国产黑料吃瓜51吃瓜在线

新聞中心

您現在的位置:首頁 >新聞中心 > 技術文章

變壓器變比整檢裝置的工作原理

發布時間:2019-02-18 瀏覽數:155

        變壓器變比整檢裝置是用來檢定0.05級及以下變壓器變比測試儀的一種裝置,主要檢定變比測試儀的變比精度、分辨率和組別的正確性。下文中,國電中星將為大家介紹變壓器變比整檢裝置的工作原理是什么。

ZXCBB變壓器變比整檢裝置.jpg

一、變壓器變比整檢裝置的組成

變壓器變比整檢裝置是由標準三相 PT 和七盤感應分壓器兩個部分組成。標準三相 PT 用來檢定變比組別測試儀的組別測試功能,包括 Z 形組別,同時有三種電壓比選擇;七盤感應分壓器用來檢定變比組別測試儀的變比精度和分辨率,也可以單獨作為感應分壓器使用。

二、變壓器變比整檢裝置的工作原理

(一)檢定變比組別測試儀的三相標準 PT 的工作原理如下:

      圖1中 A、B、C 分別為三相輸入,接變比測試儀的一次側,a、b、c 為三相輸出,接變比測試儀的二次側。在做組別測試使用時,該開關具有三相 PT 的不同組別的選擇功能,同時還可選擇 Z 形組別。X、Y、Z、x、y、z、a’、b’、c’、x’、y’、z’是在檢定本裝置的標準三相 PT 的準確度時使用,除此之外,沒有其他用途,但相互不能短接。選擇開關用來選擇組別 Z 形組別的各種組合。

變比測試儀檢定裝置工作原理圖.jpg

圖1

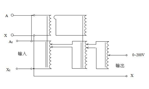
(二)檢定變比精度和分辨率的七盤感應分壓器工作原理如下:

        該部分采用準確度高的兩級變壓器方式進行設計,克服了并聯式多盤感應分壓器后盤對前盤負載影響較大的缺點和串聯式增加了一項隔離誤差且輸入阻抗不高的劣勢。兩級變壓器式多盤感應分壓器的原理圖如圖2所示.由圖可見,多盤感應分壓器由多只兩級感應分壓器并聯組合而成,前一級比例繞組的1/10 段通過雙刀開關把某一段電壓并聯到下一級比例繞組兩端,強迫下一盤為上一盤的 1/10 電壓。由于有激磁繞組,所以下一盤對前盤的分路影響極小,又消除了隔離誤差,所以能獲得較高準確度。

變比測試儀檢定裝置原理圖.jpg

圖2

        國電中星專業生產電力檢測設備,生產的ZXCBB變壓器變比整檢裝置,使用方便,性能穩定,質量可靠,給用戶非常不錯的使用體驗,受到廣大用戶好評。國電中星生產的多種電力測試設備在海內外銷量好,歡迎選購。